欢迎进入上海交通大学科技园|短路接地线网站
全国服务热线
021-54358329
JXZ-W200A接线柱
产品简介
JXZ-W200A接线柱
订购热线:021-54358329
产品介绍
名片
点这里给我发消息   可以用旺旺跟我联系
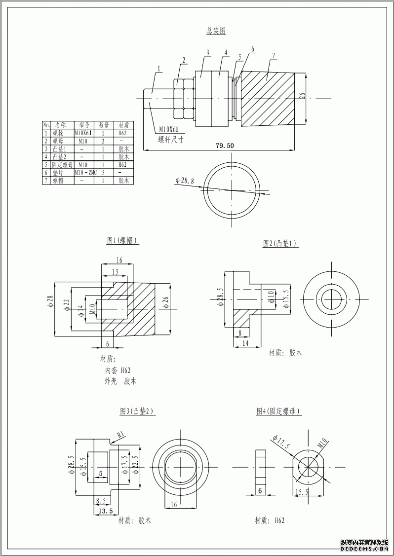
JXZ-W200A接线柱

总长:76.5mm
旋帽总高27mm,最顶部直径26mm旋帽最大直径28mm,旋帽下端直径22mm高6mm.内部配直径10mm螺母(深度13mm)
中间绝缘部分:上端高度12.5mm, 外部直径28.5mm,嵌入直径17.5*5mm椭圆螺母,中间是直径15.5mm的安装孔.下端高度14mm,外部直径28.5mm, 嵌在上端绝缘体直径为15.5mm(开孔直径)*高8mm。
铜螺杆长度60mm*10mm,六角螺母10mm*2只,平垫片10mm*3只
联系我们
上海交通大学科技园|短路接地线
全国服务电话:021-54358329
传真:021-54011883
Q Q:289109264
公司地址:青浦区练塘镇章练塘路588弄15号1幢二层H区272室(021-54358329)
我要订购
* 联系人
* 联系电话
电子邮件
QQ
* 产品名称
* 采购意向
温馨提示: 请填写采购的产品数量和产品描述,方便我们进行统一备货。
咨询热线:021-54358329

Copyright © 上海交通大学科技园|短路接地线 版权所有 沪ICP备13003797号-6
全国服务电话:021-54358329   传真:021-54011883
公司地址:青浦区练塘镇章练塘路588弄15号1幢二层H区272室(021-54358329)   网站地图   官网   PDF

变压器绕组变形测试仪   雷击计数器测试仪 网络基站定相核相仪   雷击计数器测试仪   工频电源